Sample
Questions asked in Interviews
Rajesh Bawankule 
Introduction :
A fresh graduate faces some tough questions
in his first job interview. The questions themselves are simple but require
practical and innovative approach to solve them. I started collecting some
questions from my own experience and from my friends. 
Note: Please do not send me emails asking for
solutions. You are not supposed to answer these questions in 10 seconds like
some university multiple choice questions. Some questions may have more than
correct answers and some may not even have correct answer :)  
What matters is your approach to
solution and understanding of basic hardware design principles. 
 
Some other pages on interview 
questions: 
1.
Electrical Engineering Technical Interview Questions/Review
: This page has 
answers too. 
2. 
http://enpub.fulton.asu.edu/cse517/interview.html 
 
Recently added questions
Q. Design a memory system as shown in diagram below. 
  
Note: Only 2000 data entries will be used at a given time. Entries should be 
programmable by external CPU. 
  
Q. Create "AND" gate using a 2:1 multiplexer. (Create all other gates too.) 
  
Q. Design XOR gate using just NAND gates. 
  
Q. Design a "Stackable First One" finder. 
  
Design a small unit which processes just 1 bit. Design in such a way that it 
can be stacked to accept make input of any length. 
 
Q Micro architect DMA controller block for given specifications 
  
Note:  
- Overall performance should be almost same as performance of Encryption Engine 
which is 1Gbps. 
  
 
Q. Design Gray counter to count 6. 
 
Q. Design a block to generate output according to the following timing diagram. 
  
  
Q. Design a module as shown in following block 
diagram. 
  
Note: channel_id is 11 bits wide to accomodate 2K entries in 2K deep SRAM. 
operation is 1 bit wide. 
operation = 00 means write to current location. 
operation = 01 means add 1 to existing data 
operation = 10 means subtract 1 from existing data in SRAM. 
Do not optimize based on operation as in future operations bits can change. 
Design such that you can support 1 operation every clock. 
  
Q. Design a hardware to implement following 
equations without using multipliers or dividers. 
out = 7x + 8y; 
out = .78x + .17y; 
  
 
Old Questions
Q. Create 4 bit multiplier using a ROM and what 
will be the size of the ROM. How can you realize it when the outputs are 
specified. 
 
Q. How can you swap 2 integers a and b, without using a 3rd variable 
 
Q. Which one is preferred? 1's complement or 2's complement and why? 
 
Q. Which one is preferred in FSM design? Mealy or Moore? Why? 
 
Q. Which one is preferred in design entry? RTL coding or Schematic? Why? 
 
Q. Design a 2 input OR gate using a 2:1 mux. 
Q. Design a 2 input AND gate using a 2 input XOR 
gate. 
 
Q. Design a logic which mimics a infinite width register. It takes input
serially 1 bit at a time. Output is asserted high when this register holds a
value which is divisible by 5.  
For example:  
  
    
      | Input | 
      Sequence | 
      Value | 
      Output | 
     
    
      | 1 | 
      1 | 
      1 | 
      0 | 
     
    
      | 0 | 
      10 | 
      2 | 
      0 | 
     
    
      | 1 | 
      101 | 
      5 | 
      1 | 
     
    
      | 0 | 
      1010 | 
      10 | 
      1 | 
     
    
      | 1 | 
      10101 | 
      21 | 
      0 | 
     
   
 
 
(Hint: Use a FSM to create this) 
 
Q. Design a block which has 3 inputs as followed. 
   1. system clock of pretty high freq 
   2. asynch clock input P 
   3. asynch clock input Q 
  P and Q clocks have 50% duty cycle each. Their
  frequencies are close enough and they have phase difference. Design the block
  to generate these outputs. 
 
   1. PeqQ
: goes high if periods of P and Q are same 
   2. PleQ : goes high if P's period is less than that of Q. 
   3. PgrQ :  goes high if P's period is greater  than that
of Q.  
 
Q. What's the difference between a latch and a
flip-flop? Write Verilog RTL code for each. (This is one of the most common
questions but still some EE's don't know how to explain it correctly!) 
 
Q. Design a black box whose input clock and
output relationship as shown in diagram. 
     
      __    __    __   
__    __    __    __   
__    __   
clk     __|  |__|  |__|  |__|  |__|  |__| 
|__|  |__|  |__|  |__ 
  
           __         
__          __         
__          __   
Output  __|  |________|  |________|  |________| 
|________|  |__ 
 
 
 
Q. Design a digital circuit to delay the negative edge of the input 
   signal by 2 clock cycles. 
                                
 ______________________ 
   input    ________|                  
|_____________ 
            _  
_   _   _   _   _   _  
_   _   _   _   _   _ 
  clock   _| |_| |_| |_| |_| |_| |_| |_| |_| |_| |_|
|_| |_| |_ 
                   
___________________________ 
  output  _________|                          
|___________ 
 
Q. Design a Pattern matching block 
- Output is asserted if pattern "101"
is detected in last 4 inputs. 
- How will you modify this design if it is required to detect same
"101" pattern anywhere in last 
8 samples? 
 
Questions:
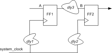
Q. 
   
The digital circuit is shown with logic delay (dly3) and two clock buffer
delays (dly1, dly2). 
- How will you fix setup timing violations occurring at pin B? 
- How will you fix hold violations occurring at pin B? 
(Hint: Change the values of three delays to get desired effect) 
 
Q.  
  
Sender sends data at the rate of 80 words / 100 clocks 
Receiver can consume at the rate of 8 words / 10 clocks 
Calculate the depth of FIFO so that no data is dropped. 
Assumptions: There is no feedback or handshake mechanism. Occurrence of data in
that time period is guaranteed but exact place in those clock cycles is
indeterminate. 
 
Q 
  
Optical sensors A and B are positioned at 90 degrees to each
other as shown in Figure. Half od the disc is white and remaining is black. When
black portion is under sensor it generates logic 0 and logic 1 when white
portion is under sensor. 
 
Design Direction finder block using digital components (flip flops and gates) to
indicate speed. Logic 0 for clockwise and Logic 1 for counter clockwise. 
 
Q 
  
Will this design work satisfactorily? 
Assumptions: thold = tsetup = tclock_out = tclock_skew = 1ns. 
After reset A = 0, B = 1 
 
  
Q. Design a 4:1 mux in Verilog.
- 
Multiple styles of coding. e.g.
 
  Using if-else statements
if(sel_1 == 0 && sel_0 == 0) output
= I0;
 else if(sel_1 == 0 && sel_0 ==
1) output = I1;
 else if(sel_1 == 1 && sel_0 ==
0) output = I2;
 else if(sel_1 == 1 && sel_0 ==
1) output = I3;
 Using case statement
 case ({sel_1, sel_0})
       00 : output
= I0;
       01 : output
= I1;
       10 : output
= I2;
       11 : output
= I3;
       default
: output = I0;
 endcase
 - 
What are the advantages / disadvantages of
each coding style shown above?
 
- 
How Synthesis tool will give result for above
codes?
 
- 
What happens if default statement is removed
in case statement?
 
- 
What happens if combination 11 and default
statement is removed? (Hint Latch inference)
 
 (Comments : Though this questions looks
simple and out of text books, the answers to supporting questions can come
only after some experience / experimentation.) 
 
Q. Design a FSM (Finite State Machine)
to detect a sequence 10110.
  
 
- 
Have a good approach to solve the design problem.
 
- 
Know the difference between Mealy, Moore, 1-Hot
type of state encoding.
 
- 
Each state should have output transitions for all
combinations of inputs.
 
- 
All states make transition to appropriate
states and not to default if sequence is broken. e.g. S3 makes transition
to S2 in example shown.
 
- 
Take help of FSM block diagram to write Verilog code.
 
 
 
Q. One more sequence detector:
 Design a FSM (Finite State Machine) to
detect more than one "1"s in last 3 samples.
 For example: If the input sampled at clock
edges is 0 1 0 1 0 1 1 0 0 1
 then output should be 0 0 0 1 0 1 1 1
0 0 as shown in timing diagram.
 And yes, you have to design this FSM using
not more than 4 states!!
 
 
 
  
Q. Design a state machine to divide the
clock by 3/2.
  
 (Hint: 2 FSMs working on posedge and
negedge)
 
  
Q. Draw timing diagrams for following circuit.
 
 
  
 
- 
What is the maximum
frequency at which this circuit can operate?
 
- 
What is the minimum width of input pulse and
position?
 
- 
Problem can be given interesting twist by
specifying all delays in min and max types.
 
 
 
Q. Design a Digital Peak Detector in Verilog.
 
 
 
  
Q. Design a RZ (return to zero )circuit.
Design a clock to pulse circuit in Verilog / hardware gates.
 
 
 
  
Q. Miscellaneous Basic Verilog Questions:
 
- 
What is the difference between Behavior modeling
and RTL modeling?
 
- 
What is the benefit of using Behavior modeling
style over RTL modeling?
 
- 
What is the difference between blocking assignments
and non-blocking assignments ?
 
- 
How do you implement the bi-directional ports
in Verilog HDL
 
- 
How to model inertial and transport delay
using Verilog?
 
- 
How to synchronize control signals and data
between two different clock domains?
 
 
 |